Skip to Main Content

Randle Engineering are hiring! If you're interested in joining our team we'd love to hear from you, click here to visit our Careers page

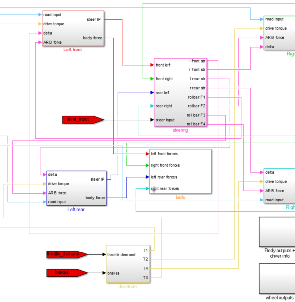
PHM_screenshot

Tools & software

Randle Engineering have developed a range of unique tools to support in-house design work and created bespoke solutions for customers.

Tools & Software

Unique tools to reduce development time & cost

Randle Engineering have built up a comprehensive library of tools over the years to support our in-house engineering activities and have access to the commercial software packages used most widely across the industry. We also develop bespoke solutions to meet specific customer needs.

  • Vehicle & suspension target cascade system
  • Tyre data generation system
  • Parameterised Handling Model
  • Phaedrus suspension definition tool
  • Powertrain mounting system design tool
  • Commercial design & modelling packages
  • Bespoke solutions for customers
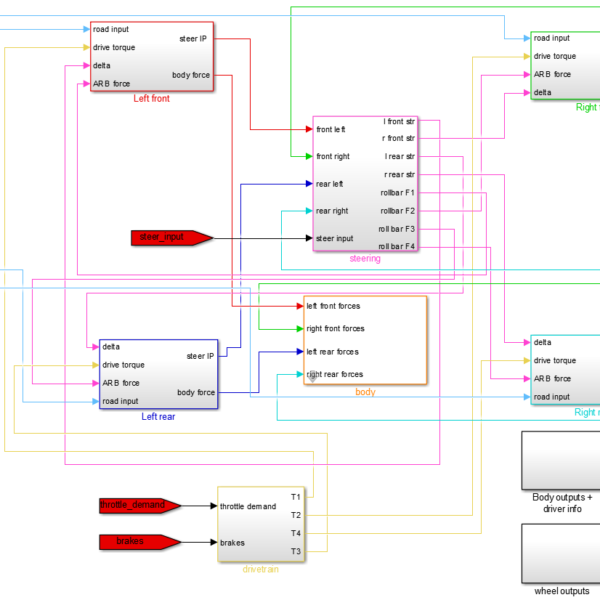
Interface screenshot
Related Case Study

Bolted joint analysis software

A bespoke piece of bolt analysis software for a global vehicle manufacturer.

Read more
Our Clients

Who we've worked with