Skip to Main Content

Randle Engineering are hiring! If you're interested in joining our team we'd love to hear from you, click here to visit our Careers page

ECP_FEA_08_edited

Component engineering

At Randle Engineering we offer a full end to end component design service, applying decades of experience to bring products into reality.

Gibbs LCA render
Component Engineering

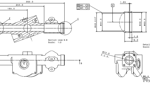
Component design from blank sheet to manufacture

Randle Engineering have the in-house capability to support the component design process from concept through to drawings for manufacture. We have experience with a vast range of materials and manufacturing methods ensuring the most appropriate solution is reached.

  • Design concepts
  • FEA
  • Assembly modelling and packaging
  • Component development and detailing
  • Component optimisation
  • Design for manufacture
  • Component loadcase generation
ECP Link
Related Case Study

High volume suspension arm

Development of a high volume suspension component to overcome durability issues on the incumbent design.

Read more
Our Clients

Who we've worked with